功能:
AZCL系列智能集成式谐波抑制电力电容补偿装置是应用于0.4kV、50Hz低压配电中用于节省能源、降低线损、提高功率因数和电能质量的新一代无功补偿设备。其中串接7%电抗器的产品使用于主要谐波为5次、7次及以上的电气环境,串接14%电抗器的产品使用于主要谐波为3次及以上的电气环境。
应用范围:
应用于0.4kV、50Hz低压配电系统。
订货范例:
具体型号:AZCL-SP1/480-50-P7
技术要求:共补,7%电抗率,铜芯
通讯协议:无
辅助电源:无
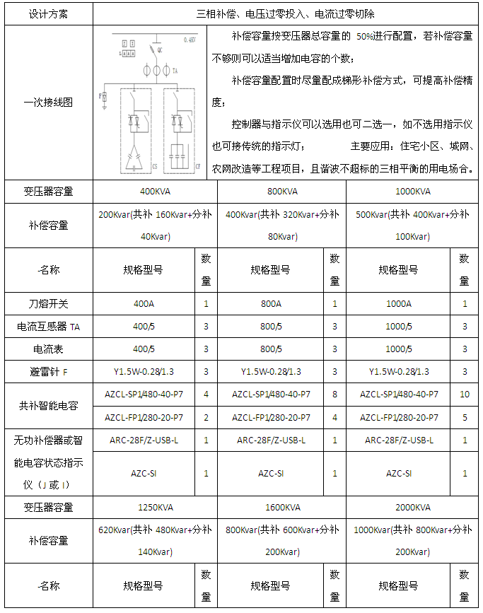
1、变压器容量为400/800/1000/1250/1600/2000KVA的三相补偿应用方案(串接7%电抗器)。
2、变压器容量为400/800/1000/1250/1600/2000KVA的单相、三相混合补偿应用方案(串接7%电抗器)。
联系人:张欣
手机号: 18702111310